



SOIC8 3M Clip
0 out of 5
$120.00
3M made crocodile test clip for in-circuit programming of traditional EEPROM size in SOIC8 body. Made in USA.
Availability: Out of stock
- Description
- Reviews (0)
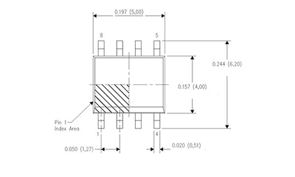
- EEPROM BODY SIZE CHART
Description
SOIC8 a traditional test clip for in-circuit programming of EEPROM. No needs to desolder chip or solder to the PCB points. Just clean the EEPROM pins and place the clip on top of memory. 3M clip features more strong spring that helps the clip seats more firmly even when you move the PCB or cable.
The default j-tag connector is compatible with DSP3 and USAprog device programmers. Also this clip can be customized for Carprog, Diagprog (DP4) and Enigma. For using with professional programmers the ZIF socket adapter is required and available from our shop.
Only logged in customers who have purchased this product may leave a review.














Reviews
There are no reviews yet.